瓷砖胶加PVA,增加干粘性,我想请教一下,多加部分的PVA我可以加更多的胶粉,这个时候感觉PVA就不划算了瓷砖胶理解瓷砖胶是未来的一个发展蓝海。
在欧洲美洲,没有人再回去选择使用水泥、砂来粘贴瓷砖。全部都是瓷砖胶(干粉瓷砖胶、膏状瓷砖胶)
在国内瓷砖胶未来一定可以发展的像腻子一样普及化。我个人对瓷砖胶未来发展非常看好
在瓷砖胶领域中如何能占得先机,如果能运作好自身品牌。质量是首当其冲最关键的。
我在论坛注册很多年,这几天闲来没事,结合这么多年的经验,阐述一下我对瓷砖胶的理解。
从国家标准的角度 配方设计的角度 施工适应性的角度 销售展示型的角度 来阐述我理解的瓷砖胶
国家标准角度
首先一点应该能引起大家的共鸣,瓷砖胶到底是什么标准,我们生产的产品能不能达到国家标准。
什么是瓷砖胶
首先概括一下瓷砖胶的定义 工厂预制用于粘贴瓷砖的材料
按照类型分为:
水泥基瓷砖胶(C)
膏状乳液基瓷砖胶(D)
反应性树脂瓷砖胶(R)
国内通指瓷砖胶 说的就是水泥基瓷砖胶
C1 C2又分别代表水泥基瓷砖胶相应的粘接强度要求。
我们主要参考的标准有两个JC/T547-2017《陶瓷砖胶黏剂》 GB/T25181-2010《预拌砂浆》
另外特殊需求还有
抗滑移型T 快凝型F 加长晾置时间E 特殊变形能力S
配方设计的角度
瓷砖胶配方中有无机材料 如 水泥、砂 有机材料 如 纤维素、乳胶粉等。
无机材料的特性与选择
水泥:主要胶凝材料 常规选择P.O325 P.O425 PII 525
一般不建议选择325水泥矿物添加物太多,不容易控制质量。有条件厂家生产量大建议选择PII525 性价比高,便于配方设计。 一般建议使用 P.O425 使用量控制在35%左右。
特殊配方设计还可以选择高铝水泥、硫铝酸盐水泥
砂:主要骨料 河沙 石英砂 海砂 机制砂
最好选择石英砂 河沙含泥量较高 海砂应选择水洗砂 机制砂应选择整形后的或者和其他混合使用
重钙:根据配方要求可以适当添加一些200目左右的重质碳酸钙
有机材料的特性
纤维素醚:改性和非改性 一般建议在高聚合物条件下使用较低粘度,在低聚合物条件下使用高粘度
乳胶粉:重要的有机胶凝材料,添加量根据成本及粘贴瓷砖的吸水率去控制。
淀粉醚:对抗下滑有一定要求的可以添加
甲酸钙:可促进早期水泥水化,采购时注意辨别元明粉和甲酸钙
无机触变剂:和纤维素醚选型合理搭配,可提高材料施工手感。
聚乙烯醇粉末:可以提高干粘接能力,不过选择时要注意细度。
注意事项:
收缩性:并不是水泥越多越好,强度高,收缩就更大。
润湿性:设计配方要考虑开放时间的问题,润湿性很重要
内聚力:内聚力合理控制 能有效避免瓷砖掉落后背面不粘料的光板现象
抗滑移:抗滑移并不是越强越好,会损失润湿性
小结:没有最好的材料、最好的配方。适合自己的,懂得搭配和运用才是最好的。这里说的原材料都是基于正常的产品来说,采购时一定要注意材料的灰分与水分,如果原材料都不能控制,质量保障就无从谈起。
施工适应性的角度
基材
基础一定要注意,常见的室内瓷砖掉落大多出现在烟道附近,烟道较薄 容易震动、容易产生收缩。
墙体平整度好可选择瓷砖胶双面刮胶法,平整度不好只能选择厚贴法
瓷砖
瓷砖的吸水率是瓷砖胶选型的关键指标。背面的脱模剂清理也很关键。现场切割砖灰尘也需要清理干净。
留缝
留缝可一定限度吸收,瓷砖胶、瓷砖在热胀冷缩中产生的收缩应力,减少掉砖风险。
销售展示型的角度
抗滑移性 从展示角度来说 提高瓷砖胶抗滑移,展示砖上贴砖、粘水杯加水
满浆展示 玻璃上齿形刮板粘贴瓷砖
开放时间 开放时间展示 20分钟不结皮
瓷砖背胶是什么
国外没有瓷砖背胶一说,仅存在双组份界面剂在瓷砖背面做拉毛的做法。
乳液型背胶,在瓷砖背后增加了一层弹性体,可以吸收敲击时产生的剪切力,避免瓷砖整块掉落。
问题在于乳液型产品是有机物,耐老化性和耐水性较差。仅适合于室内非水接触地区的瓷砖粘贴使用。 中国特色的产品,背胶能解决一定问题,但是不能解决所有问题。
慎重选择 慎重使用
瓷砖胶的标准解读
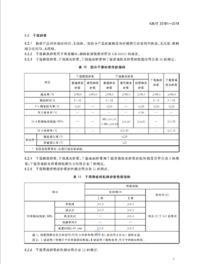
市面上大品牌产品 在较低档次瓷砖胶中选用的是企业标准,仅检测原强、10分钟晾置粘接强度、吸水量、压折比
大品牌企业标准 原始粘接强度0.5 10分钟晾置粘接强度0.5 吸水量5g 压折比3
JC/T547-2017 C1标准 原强、耐水、热老化、冻融循环、20分钟晾置 均要大于0.5兆帕
GB/T25181-2010 室内标准 原强、耐水、20分钟晾置 大于0.5兆帕
低档次瓷砖胶执行 GB/T25181-2010标准风险是比较低的。
全文原创,是我个人理解,有不对的地方请大家多指点。
干混陶瓷砖粘结砂浆一直没搞懂,按照25181标准生产的为什么还敢起名胶瓷砖胶,标准上不是很明显的写的粘结砂浆嘛?市场监督局和质检局都不管的?
这个理解很深刻,学习了瓷砖胶理解瓷砖胶是未来的一个发展蓝海。
在欧洲美洲,没有人再回去选择使用水泥、砂来粘贴瓷砖。全部都是瓷砖胶(干粉瓷砖胶、膏状瓷砖胶)
在国内瓷砖胶未来一定可以发展的像腻子一样普及化。我个人对瓷砖胶未来发展非常看好
在瓷砖胶领域中如何能占得先机,如果能运作好自身品牌。质量是首当其冲最关键的。
我在论坛注册很多年,这几天闲来没事,结合这么多年的经验,阐述一下我对瓷砖胶的理解。
从国家标准的角度 配方设计的角度 施工适应性的角度 销售展示型的角度 来阐述我理解的瓷砖胶
国家标准角度
首先一点应该能引起大家的共鸣,瓷砖胶到底是什么标准,我们生产的产品能不能达到国家标准。
什么是瓷砖胶
首先概括一下瓷砖胶的定义 工厂预制用于粘贴瓷砖的材料
按照类型分为:
水泥基瓷砖胶(C)
膏状乳液基瓷砖胶(D)
反应性树脂瓷砖胶(R)
国内通指瓷砖胶 说的就是水泥基瓷砖胶
C1 C2又分别代表水泥基瓷砖胶相应的粘接强度要求。
我们主要参考的标准有两个JC/T547-2017《陶瓷砖胶黏剂》 GB/T25181-2010《预拌砂浆》
另外特殊需求还有
抗滑移型T 快凝型F 加长晾置时间E 特殊变形能力S
配方设计的角度
瓷砖胶配方中有无机材料 如 水泥、砂 有机材料 如 纤维素、乳胶粉等。
无机材料的特性与选择
水泥:主要胶凝材料 常规选择P.O325 P.O425 PII 525
一般不建议选择325水泥矿物添加物太多,不容易控制质量。有条件厂家生产量大建议选择PII525 性价比高,便于配方设计。 一般建议使用 P.O425 使用量控制在35%左右。
特殊配方设计还可以选择高铝水泥、硫铝酸盐水泥
砂:主要骨料 河沙 石英砂 海砂 机制砂
最好选择石英砂 河沙含泥量较高 海砂应选择水洗砂 机制砂应选择整形后的或者和其他混合使用
重钙:根据配方要求可以适当添加一些200目左右的重质碳酸钙
有机材料的特性
纤维素醚:改性和非改性 一般建议在高聚合物条件下使用较低粘度,在低聚合物条件下使用高粘度
乳胶粉:重要的有机胶凝材料,添加量根据成本及粘贴瓷砖的吸水率去控制。
淀粉醚:对抗下滑有一定要求的可以添加
甲酸钙:可促进早期水泥水化,采购时注意辨别元明粉和甲酸钙
无机触变剂:和纤维素醚选型合理搭配,可提高材料施工手感。
聚乙烯醇粉末:可以提高干粘接能力,不过选择时要注意细度。
注意事项:
收缩性:并不是水泥越多越好,强度高,收缩就更大。
润湿性:设计配方要考虑开放时间的问题,润湿性很重要
内聚力:内聚力合理控制 能有效避免瓷砖掉落后背面不粘料的光板现象
抗滑移:抗滑移并不是越强越好,会损失润湿性
小结:没有最好的材料、最好的配方。适合自己的,懂得搭配和运用才是最好的。这里说的原材料都是基于正常的产品来说,采购时一定要注意材料的灰分与水分,如果原材料都不能控制,质量保障就无从谈起。
施工适应性的角度
基材
基础一定要注意,常见的室内瓷砖掉落大多出现在烟道附近,烟道较薄 容易震动、容易产生收缩。
墙体平整度好可选择瓷砖胶双面刮胶法,平整度不好只能选择厚贴法
瓷砖
瓷砖的吸水率是瓷砖胶选型的关键指标。背面的脱模剂清理也很关键。现场切割砖灰尘也需要清理干净。
留缝
留缝可一定限度吸收,瓷砖胶、瓷砖在热胀冷缩中产生的收缩应力,减少掉砖风险。
销售展示型的角度
抗滑移性 从展示角度来说 提高瓷砖胶抗滑移,展示砖上贴砖、粘水杯加水
满浆展示 玻璃上齿形刮板粘贴瓷砖
开放时间 开放时间展示 20分钟不结皮
瓷砖背胶是什么
国外没有瓷砖背胶一说,仅存在双组份界面剂在瓷砖背面做拉毛的做法。
乳液型背胶,在瓷砖背后增加了一层弹性体,可以吸收敲击时产生的剪切力,避免瓷砖整块掉落。
问题在于乳液型产品是有机物,耐老化性和耐水性较差。仅适合于室内非水接触地区的瓷砖粘贴使用。 中国特色的产品,背胶能解决一定问题,但是不能解决所有问题。
慎重选择 慎重使用
瓷砖胶的标准解读
市面上大品牌产品 在较低档次瓷砖胶中选用的是企业标准,仅检测原强、10分钟晾置粘接强度、吸水量、压折比
大品牌企业标准 原始粘接强度0.5 10分钟晾置粘接强度0.5 吸水量5g 压折比3
JC/T547-2017 C1标准 原强、耐水、热老化、冻融循环、20分钟晾置 均要大于0.5兆帕
GB/T25181-2010 室内标准 原强、耐水、20分钟晾置 大于0.5兆帕
低档次瓷砖胶执行 GB/T25181-2010标准风险是比较低的。
全文原创,是我个人理解,有不对的地方请大家多指点。
