T型接口球铁管和管件用密封圈,大家有没有别的标准规范中提供了T型接口胶圈的尺寸表

Aleimons

初级工程师
注册
2023-01-14
帖子
85
解答
8
反馈
34
积分
867
QQ
3257590180
微信
15056809710
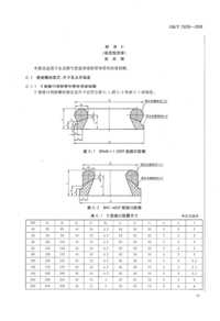
《水及燃气管道用球墨铸铁管、管件和附件》(GB/T 13295-2008)在附录C(规范性附录)中提供了T型接口胶圈的尺寸表,但在之后的13及19版标准中去掉了该附录。想问问大家有没有别的标准规范中提供了T型接口胶圈的尺寸表。
 

附件

  • 企业微信截图_20230114224158.png
    企业微信截图_20230114224158.png
    58.4 KB · 查看: 5

申明:内容来自用户上传,著作权归原作者所有。如涉及侵权请点击 联系我们!请不要使用下载软件下载附件!
后退
顶部