可爱毛毛虫 初级工程师 注册 2014-12-18 帖子 94 解答 11 反馈 33 积分 271 QQ 47355542 微信 13714578658 2024-02-02 #2 深圳市防水技术标准做法,供参考。
F feiniaoji 高级配方师 注册 2023-01-25 帖子 1,428 解答 1 反馈 272 积分 3,712 2024-02-02 #3 可爱的毛毛虫 发表: 深圳市防水技术标准做法,供参考。 查看附件 43668 查看附件 43669 查看附件 43670 点击展开... 深圳果然是先行者
佩 佩吉猪猪 见习生 注册 2024-05-20 帖子 17 反馈 0 积分 47 QQ 2321841469 微信 2321841469 2024-05-20 #9 el2134 发表: 这个我也问过,大家都答复是不错的做法。造价上应该会提高些。 点击展开... 求问做法,谢谢!
佩 佩吉猪猪 见习生 注册 2024-05-20 帖子 17 反馈 0 积分 47 QQ 2321841469 微信 2321841469 2024-05-20 #10 佩吉猪猪 发表: 求问做法,谢谢! 点击展开... el2134 发表: 这个我也问过,大家都答复是不错的做法。造价上应该会提高些。 点击展开... 砖混砌体结构的外墙,目前没有批灰,饰面选用窑变砖,这样的墙体,做外墙防水能否用5.0MM厚的聚合物防水砂浆批灰,然后就直接贴砖?我看到您之前的帖子了,但是上面没有砌体结构外墙饰面层选用面砖对应的防水选材,请指教!感谢
佩吉猪猪 发表: 求问做法,谢谢! 点击展开... el2134 发表: 这个我也问过,大家都答复是不错的做法。造价上应该会提高些。 点击展开... 砖混砌体结构的外墙,目前没有批灰,饰面选用窑变砖,这样的墙体,做外墙防水能否用5.0MM厚的聚合物防水砂浆批灰,然后就直接贴砖?我看到您之前的帖子了,但是上面没有砌体结构外墙饰面层选用面砖对应的防水选材,请指教!感谢
佩 佩吉猪猪 见习生 注册 2024-05-20 帖子 17 反馈 0 积分 47 QQ 2321841469 微信 2321841469 2024-05-20 #11 el2134 发表: 这个我也问过,大家都答复是不错的做法。造价上应该会提高些。 点击展开... 砖混砌体结构的外墙,目前没有批灰,饰面选用窑变砖,这样的墙体,做外墙防水能否用5.0MM厚的聚合物防水砂浆批灰,然后就直接贴砖?我看到您之前的帖子了,但是上面没有砌体结构外墙饰面层选用面砖对应的防水选材,请指教!感谢 回复 编辑 删除
el2134 发表: 这个我也问过,大家都答复是不错的做法。造价上应该会提高些。 点击展开... 砖混砌体结构的外墙,目前没有批灰,饰面选用窑变砖,这样的墙体,做外墙防水能否用5.0MM厚的聚合物防水砂浆批灰,然后就直接贴砖?我看到您之前的帖子了,但是上面没有砌体结构外墙饰面层选用面砖对应的防水选材,请指教!感谢 回复 编辑 删除
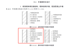
el2134 试验员 注册 2019-10-30 帖子 297 反馈 11 积分 55 2024-05-28 #12 佩吉猪猪 发表: 砖混砌体结构的外墙,目前没有批灰,饰面选用窑变砖,这样的墙体,做外墙防水能否用5.0MM厚的聚合物防水砂浆批灰,然后就直接贴砖?我看到您之前的帖子了,但是上面没有砌体结构外墙饰面层选用面砖对应的防水选材,请指教!感谢 点击展开... 这个防水做法您要跟当地习惯有关系的,我们这边是南方,比较少做砌体结构外墙,所以您这个问题我也不确定的。南方这边因为土地价格比较贵,都尽量往高里走。本主题是这个深圳区域的砌筑外墙防水做法 附件 砌筑外墙.png 153.4 KB · 查看: 14 砌筑外墙2.png 81.7 KB · 查看: 14 申明:内容来自用户上传,著作权归原作者所有。如涉及侵权请点击 联系我们!请不要使用下载软件下载附件!
佩吉猪猪 发表: 砖混砌体结构的外墙,目前没有批灰,饰面选用窑变砖,这样的墙体,做外墙防水能否用5.0MM厚的聚合物防水砂浆批灰,然后就直接贴砖?我看到您之前的帖子了,但是上面没有砌体结构外墙饰面层选用面砖对应的防水选材,请指教!感谢 点击展开... 这个防水做法您要跟当地习惯有关系的,我们这边是南方,比较少做砌体结构外墙,所以您这个问题我也不确定的。南方这边因为土地价格比较贵,都尽量往高里走。本主题是这个深圳区域的砌筑外墙防水做法
F feiniaoji 高级配方师 注册 2023-01-25 帖子 1,428 解答 1 反馈 272 积分 3,712 2024-05-28 #13 1、砖混砌体结构不抹灰,直接做聚合物防水砂浆? 2、没有砌体结构外墙饰面层选用面砖对应的防水选材,这是具体考量什么呢?